Für diesen Artikel gibt es einen Nachfolgeartikel:

Verkaufsdaten

Mindestbestellmenge 1 STCK
Bestellschritt 1 STCK
Abbildung ähnlich
Wilo

Wilo Druckerhöhungsanlage SiBoost 3 Smart Helix VE 608

W577977 4048482330495 2537342
auf Anfrage
je 1 STCK
keine Verfügbarkeitsinformationen

Folgeartikel

Dieser wird automatisch Ihrem Warenkorb hinzugefügt.

Verkaufsdaten

Mindestbestellmenge 1 STCK
Bestellschritt 1 STCK

Beschreibung

Anschlussfertige Wasserversorgungsanlage mit 2-4 parallel geschalteten, vertikal angeordneten, Edelstahl-Hochdruck-Kreiselpumpen, normalsaugend, der Baureihe Helix VE, mit integriertem luftgekühlten Frequenzumrichter, mit Smart Controller, zum Einsatz für vollautomatische Wasserversorgung und Druckerhöhung im Zulaufbetrieb aus dem öffentlichen Wassernetz oder einem Tank für private, kommerzielle, industrielle und kommunale Anwendungen (z. B. Wohngebäude, Büro, Verwaltungsgebäude, Hotels, Krankenhäuser, Handwerk, Industrie, Wasserversorgungsunternehmen), Reservepumpe gemäß DIN 1988 und DIN EN 806 enthalten, zugelassene Fördermedien sind normalerweise Wasser, die die verwendeten Werkstoffe nicht angreifen (weder chemisch noch mechanisch) und keine abrasiven oder langfaserigen Bestandteile aufweisen wie Trinkwasser, Kühlwasser, Prozesswasser, Löschwasser (außer für Feuerlöschanlagen gemäß DIN 14462 und mit Genehmigung der örtlichen Brandschutzbehörden), mit Einbau- und Betriebsanleitung, integrierter Überlastschutz, Trockenlaufschutz und Wassermangelsicherung, mit automatischer Abschaltung

Merkmale

Produktklasse Druckerhöhungsanlage
Serie SiBoost
Modell 3 Helix VE608
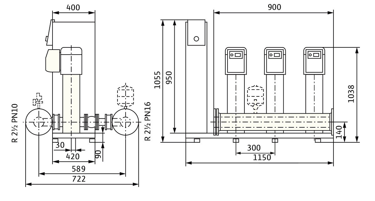
Länge 1150 mm
Breite 722 mm
Höhe 1055 mm
Nennstrom 6,4 A
Frequenz 50/60 Hz
UBA-Positivliste ja
Motorausgangsleistung (P2) 3 kW
Aufgenommene Motorleistung (P1) pro Motor 3,6 kW
Max. Arbeitsdruck 16 bar
Max. Förderhöhe 102,7 m
Drehzahl 3500 1/min
Elektrischer Anschluss Anschlussklemmen
Anschlussspannung 3 x 400 V
Werkstoff des Gebläserads/Laufrads Edelstahl
Geeignet für Leitungswasser ja
Geeignet für Regenwasser nein
Werkstoffgüte des Pumpengehäuses Edelstahl 304 (1.4301)
Werkstoff des Pumpengehäuses Edelstahl
Anzahl der Pumpen 3
Anschluss Einlassseite Außengewinde zylindrisch BSPP (ISO 228-1)
Nenndurchmesser Anschluss Einlassseite 1 1/4 Zoll
Nenndurchmesser Anschluss Auslassseite 1 1/4 Zoll
Schutzart (IP) Pumpe IP55
Max. Volumenstrom 12 m³/h
Geeignet für die Beregnung/Bewässerung nein
Isolationsklasse nach IEC F
Umgebungstemperatur 5 - 40 °C
Anzahl der Phasen 3
Bemessungsspannung 400 V
Werkstoffgüte Gebläserad/Laufrad Edelstahl 304 (1.4307)
Rohraußendurchmesser Anschluss Einlassseite 32 mm
Rohraußendurchmesser Anschluss Auslassseite 32 mm
Anschluss Auslassseite Außengewinde zylindrisch BSPP (ISO 228-1)
Förderhöhe bei Volumenstrom (BEP) 774,53 kPa
Volumenstrom (BEP) 7,63 m³/h
Mediumtemperatur (Dauerbetrieb) 3 - 50 °C
Druckstufe Flanschanschluss Einlassseite PN 16
Druckstufe Flanschanschluss Auslassseite PN 16

Varianten

Wilo

Wilo Druckerhöhungsanlage SiBoost 2 Smart Helix VE 204 W578152

keine Verfügbarkeitsinformationen
auf Anfrage
je 1 STCK
Dimension
2 Smart Helix VE 204
Wilo

Wilo Druckerhöhungsanlage SiBoost 2 Smart Helix VE 206 W578153

keine Verfügbarkeitsinformationen
auf Anfrage
je 1 STCK
Dimension
2 Smart Helix VE 206
Wilo

Wilo Druckerhöhungsanlage SiBoost 2 Smart Helix VE 208 W578154

keine Verfügbarkeitsinformationen
auf Anfrage
je 1 STCK
Dimension
2 Smart Helix VE 208
Wilo

Wilo Druckerhöhungsanlage SiBoost 2 Smart Helix VE 211 W578155

keine Verfügbarkeitsinformationen
auf Anfrage
je 1 STCK
Dimension
2 Smart Helix VE 211
Wilo

Wilo Druckerhöhungsanlage SiBoost 2 Smart Helix VE 403 W577965

keine Verfügbarkeitsinformationen
auf Anfrage
je 1 STCK
Dimension
2 Smart Helix VE 403