Abbildung ähnlich
Geberit

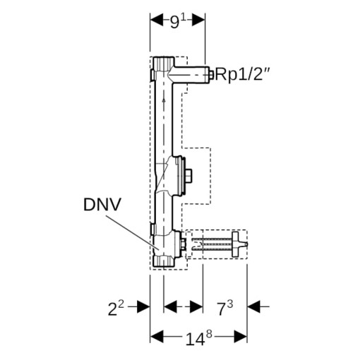
Geberit Wasserzählerstrecke Rp 3/4, mit UP-Kugelhahn und Anschluss-T-Stück

W535265 4025416594512 616002001
auf Anfrage
je 1 STCK
keine Verfügbarkeitsinformationen

Folgeartikel

Dieser wird automatisch Ihrem Warenkorb hinzugefügt.

Verkaufsdaten

Mindestbestellmenge 1 STCK
Bestellschritt 1 STCK

Beschreibung

für Trinkwasser kalt und warm, für Duofix und GIS Montageplatten, für Massiv- und Trockenbau, Kugel und Grundkörper vollständig durchströmt, mit einer Messkapsel KOAX G 2“ bestückbar, Befestigungspunkte für Lochkreis ø 60 mm, Oberteil mit Kugel und Dichtungen austauschbar, mit UP-Drehbetätigung, Dämmung aus EPP, Kugel aus PPSU, Abdichtung des Oberteils aus EPDM, Abdichtungen der Kugel aus Silikon, Schutzstopfen für einmalige Druckprüfung mit Kaltwasser bis maximal 15 bar/1500 kPa, bestehend aus UP-Drehbetätigung, Verlängerung, Bauschutz, Bauschutzstopfen mit Markierspitze

Merkmale

Produktklasse Wasserzähler-Anschlussgarnitur
Internet Link https://catalog.geberit.de/de-DE/616.002.00.1.html
UBA-Positivliste ja

Zubehörempfehlung für Sie:

Ersatzteile: