Abbildung ähnlich
Helios

Helios Drehzahlsteller ESD 5, 5 A, elektronisch

W844224 4010184005018 00501
auf Anfrage
je 1 STCK
keine Verfügbarkeitsinformationen

Folgeartikel

Dieser wird automatisch Ihrem Warenkorb hinzugefügt.

Verkaufsdaten

Mindestbestellmenge 1 STCK
Bestellschritt 1 STCK

Beschreibung

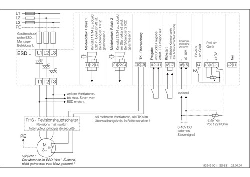
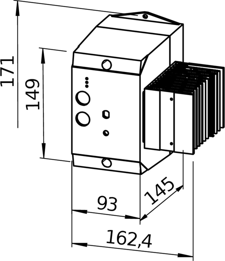
für Drehstrom-Ventilatoren, 3~, 400 V, 50/60 Hz,, Ein/Aus und stufenlose Drehzahlvorgabe durch Drehpotentiometer, 0-10 V Eingang, 3~ Phasenüberwachung, Sanftanlauffunktion, automatische Mindestanlaufspannung 80 V, erfüllt EMV-Anforderungen Klasse B (keine abgeschirmte Leitung zwischen Gerät und Motor notwendig), LEDs als Status- und Fehleranzeigen, integrierter Schutz der Elektronik gegen Überlast, Motorvollschutz durch Überwachung der Thermokontakte des Motors, hellgraues Kunststoffgehäuse mit breitem Kühlkörper, IP 65

Merkmale

Produktklasse Drehzahlsteller
Internet Link https://2hv.de/art00501-001
Farbe weiß
Montageart Aufputz
Schutzart (IP) IP65
Bedienung Drehknopf